JBC CD-2BHQF (130 Вт). Паяльная станция CDB
- Бренд
- JBC
- Напряжение, В
- 230
- Мощность, Вт
- 175
- Количество каналов
- 1
- Популярный товар
- Да
- Дополнительные возможности
- USB-интерфейс / Дымоуловитель / Разъем RJ12
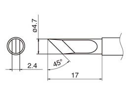
Паяльное жало косой нож ⌀4,7×2,4×17 мм 45° Hakko T12KF.
| Артикул | T12-KF |
| Серия | T12 |
| Форма наконечника | прямой нож со скосом |
| Размеры рабочей части | ⌀4.7 × 2.4 × 17 мм |
| Угол скоса | 45° |
| Артикул | T12-KF |
| Станция | Инструмент |
|---|---|
| FM-203 | паяльник FM-2027 |
| FM-204 | паяльник FM-2027 |
| FM-206 | паяльник FM-2027 |
| FM-951 | паяльник FM-2028 |
| FM-952 | паяльник FM-2028 |
| FM-202 (снята с производства) | паяльник FM-2027 |
| FM-950 (снята с производства) | паяльник FM-2028 |
Паяльное жало косой нож ⌀4,7×2,4×17 мм 45° Hakko T12KF.
| Артикул | T12-KF |
| Серия | T12 |
| Форма наконечника | прямой нож со скосом |
| Размеры рабочей части | ⌀4.7 × 2.4 × 17 мм |
| Угол скоса | 45° |
| Артикул | T12-KF |
| Станция | Инструмент |
|---|---|
| FM-203 | паяльник FM-2027 |
| FM-204 | паяльник FM-2027 |
| FM-206 | паяльник FM-2027 |
| FM-951 | паяльник FM-2028 |
| FM-952 | паяльник FM-2028 |
| FM-202 (снята с производства) | паяльник FM-2027 |
| FM-950 (снята с производства) | паяльник FM-2028 |
Мы всегда готовы помочь в подборе нужных товаров
Подпишитесь на рассылку и будьте в курсе лучших предложений
Все Ваши данные будут удалены. Вы не сможете посмотреть заказы и воспользоваться возможностями личного кабинета. Продолжить?
Вы уверены, что хотите отменить заказ?