Каталог

МЕГЕОН 03000C. Стенд испытательный

картинка МЕГЕОН 03000C. Стенд испытательный
картинка МЕГЕОН 03000C. Стенд испытательный
картинка МЕГЕОН 03000C. Стенд испытательный
картинка МЕГЕОН 03000C. Стенд испытательный
Артикул
40C000007
Описание

МЕГЕОН 03000С - это простой и удобный испытательный стенд растяжения-сжатия с винтовым механизмом перемещения суппорта. Для удобства использования и проведения испытаний в конструкции заложена цифровая линейка для измерения растояния перемещения суппорта. Основные узлы конструкции имеют антикоррозионное покрытие, что в свою очередь увеличивает срок службы всего изделия. Для улучшения плавности хода суппорта в конструкцию механизма перемещения была установлена шарико-винтовая пара(ШВП), а на направляющие поверхности нанесены смазочные материалы. Испытание обрацов может проводиться как горизонтально, так и вертикально. Основание стенда имеет отверстия для крепления площадок и оснастки. Ручной испытательный стенд МЕГЕОН 03000В совместим с динамометрами, как цифровой серий МЕГЕОН 03ХХХ, 53ХХХ, а также с аналоговыми динамометрами МЕГЕОН 04ХХХ.

Особенности

  • Может использоваться как с цифровыми, так и аналоговыми динамометрами
  • Простое и надежное устройство обеспечивает долгий срок службы
  • При изготовлении стенда использована качественная сталь
  • Шарико-винтовая пара в конструкции механизма перемещения

Характеристики

Артикул 03000С
Максимальная нагрузка

500Н

Рабочий ход суппорта

195 мм

Диапазон регулировки положения суппорта

150 – 345 мм

Глубина рабочей зоны (от стойки до штока динамометра) 40 – 45 мм (зависит от модели динамометра)
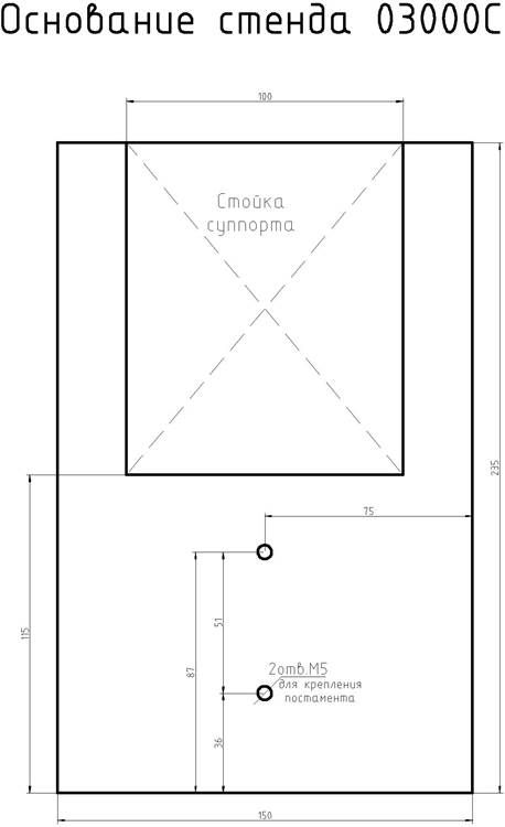
Отверстия в основании для крепления постамента 2 отверстия М5 (51 мм)
Отверстия в постаменте 4 отверстия М5 (81×70 мм)
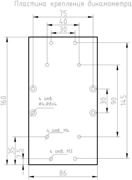
Отверстия на суппорте для крепления пластины динамометра 4 отверстия М4 (75×30 мм)
Высота от опорной площадки до штока динамометра*
03ххх 16 – 210 мм (при креплении винтами М3) 50 – 245 мм (при креплении винтами М4)

04ххх

50 ... 235 мм
53ххх 70 ... 267 мм
Условия эксплуатации Температура: 0°С – 60°С

Относительная влажность: не более 85% без выпадения конденсата

Условия хранения

Температура: -40°С –60°С Относительная влажность: не более 85% без выпадения конденсата

Размеры и вес

  • Габаритные размеры: 152×236×572 мм
  • Вес: 16,1 кг
  • Габаритные размеры в упаковочной таре: 22×62×28,5 см
  • Вес в упаковочной таре:20,6 кг

Комплектация

  • Испытательный стенд МЕГЕОН 03000С - 1 шт.
  • Рукоятка маховичка винта ШВП - 1 шт.
  • Монтажная площадка - 2 шт
  • Удерживающее устройство - 1 шт.
  • ДВУ-001 - 1 шт.
  • Ключ шестигранный - 3 шт.
  • Винты М5 - 7 шт.
  • Руководство по эксплуатации- 1 экз.

Цена
105 760 ₽

МЕГЕОН 03000С - это простой и удобный испытательный стенд растяжения-сжатия с винтовым механизмом перемещения суппорта. Для удобства использования и проведения испытаний в конструкции заложена цифровая линейка для измерения растояния перемещения суппорта. Основные узлы конструкции имеют антикоррозионное покрытие, что в свою очередь увеличивает срок службы всего изделия. Для улучшения плавности хода суппорта в конструкцию механизма перемещения была установлена шарико-винтовая пара(ШВП), а на направляющие поверхности нанесены смазочные материалы. Испытание обрацов может проводиться как горизонтально, так и вертикально. Основание стенда имеет отверстия для крепления площадок и оснастки. Ручной испытательный стенд МЕГЕОН 03000В совместим с динамометрами, как цифровой серий МЕГЕОН 03ХХХ, 53ХХХ, а также с аналоговыми динамометрами МЕГЕОН 04ХХХ.

Особенности

  • Может использоваться как с цифровыми, так и аналоговыми динамометрами
  • Простое и надежное устройство обеспечивает долгий срок службы
  • При изготовлении стенда использована качественная сталь
  • Шарико-винтовая пара в конструкции механизма перемещения

Характеристики

Артикул 03000С
Максимальная нагрузка

500Н

Рабочий ход суппорта

195 мм

Диапазон регулировки положения суппорта

150 – 345 мм

Глубина рабочей зоны (от стойки до штока динамометра) 40 – 45 мм (зависит от модели динамометра)
Отверстия в основании для крепления постамента 2 отверстия М5 (51 мм)
Отверстия в постаменте 4 отверстия М5 (81×70 мм)
Отверстия на суппорте для крепления пластины динамометра 4 отверстия М4 (75×30 мм)
Высота от опорной площадки до штока динамометра*
03ххх 16 – 210 мм (при креплении винтами М3) 50 – 245 мм (при креплении винтами М4)

04ххх

50 ... 235 мм
53ххх 70 ... 267 мм
Условия эксплуатации Температура: 0°С – 60°С

Относительная влажность: не более 85% без выпадения конденсата

Условия хранения

Температура: -40°С –60°С Относительная влажность: не более 85% без выпадения конденсата

Размеры и вес

  • Габаритные размеры: 152×236×572 мм
  • Вес: 16,1 кг
  • Габаритные размеры в упаковочной таре: 22×62×28,5 см
  • Вес в упаковочной таре:20,6 кг

Комплектация

  • Испытательный стенд МЕГЕОН 03000С - 1 шт.
  • Рукоятка маховичка винта ШВП - 1 шт.
  • Монтажная площадка - 2 шт
  • Удерживающее устройство - 1 шт.
  • ДВУ-001 - 1 шт.
  • Ключ шестигранный - 3 шт.
  • Винты М5 - 7 шт.
  • Руководство по эксплуатации- 1 экз.

Найдем решение любого вопроса

Мы всегда готовы помочь в подборе нужных товаров